ข้อมูลที่อยู่อาศัย
-
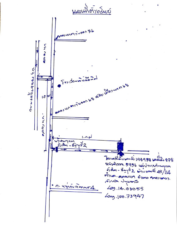
194988
-
0 ไร่, 0 งาน, 18.90 ตร.ว.
รายละเอียดการติดต่อ
-
นางสาวสัจจาภรณ์ วิญญรัตน์,
-
ปทุมธานี สาขาธัญบุรี
-
กรมบังคับคดี
-
(02)5237653,5314389,5314428
รายละเอียดทรัพย์สิน
ศาล: จังหวัดธัญบุรี
ล็อตที่ - ชุดที่: 1/2569 - ธัญบุรี 1/69
คดีหมายเลขแดงที่: ผบE.9304 / 2566
หมายเหตุ*: -
ข้อมูลการประมูลทรัพย์
- จะทำการขายโดย: การจำนองติดไป
- ยอดหนี้จำนอง: ไม่มี
- ราคาประเมินของผู้เชี่ยวชาญการประเมินราคา: ไม่มี
- ราคาประเมินของเจ้าพนักงานบังคับคดี: ไม่มี
- ราคาประเมินของเจ้าพนักงานประเมินราคาทรัพย์กรมบังคับคดี: ไม่มี
- ราคาที่กำหนดโดยคณะกรรมการกำหนดราคาทรัพย์: ไม่มี
- วันที่ประกาศขึ้นเว็บกรมบังคับคดี: ไม่มี
กรณีขายรวม ขอให้่ตรวจสอบรายละเอียดของรายการที่ขายลำดับเดียวกับทุกทรัพย์
เงื่อนไขผู้เข้าสู้ราคา
- ผู้ประสงค์จะเข้าเสนอราคาต้องวางหลักประกันเป็นจำนวน: ไม่มี
- เว้นแต่เป็นผู้มีสิทธิ์หักส่วนได้ใช้แทน หรือคู่สมรสที่ศาลมีคำสั่งอนุญาตให้กันส่วนแล้ว ต้องวางหลักประกันเป็นจำนวน: ไม่มี
ประวัติการประมูลทรัพย์
| นัดที่ | วันที่ | สถานะการประมูล |
|---|---|---|
| 1 | 16 ม.ค. 2569 | - |
| 2 | 06 ก.พ. 2569 | งดขายไม่มีผู้สู้ราคา |
| 3 | 27 ก.พ. 2569 | งดขายไม่มีผู้สู้ราคา |
| 4 | 20 มี.ค. 2569 | - |
| 5 | 10 เม.ย. 2569 | - |
| 6 | 01 พ.ค. 2569 | - |
ทั้งนี้บางรายการที่ปรากฏในเว็บไซต์นี้ อาจทำการขายไปแล้ว กรุณาตรวจสอบข้อมูลที่ถูกต้องล่าสุดกับกรมบังคับคดีตามข้อมูลรายละเอียดการติดต่อ
หมายเหตุ :
ข้อมูลที่ปรากฏในเว็บไซต์นี้ ศูนย์ข้อมูลฯ ได้รับมาจากแหล่งข้อมูลที่เชื่อถือได้ โดยได้ตรวจสอบจนมั่นใจในระดับหนึ่งแล้ว แต่ศูนย์ข้อมูลฯ ไม่สามารถยืนยันความถูกต้องหรือความเป็นจริง และไม่อาจรับผิดชอบต่อความเสียหายที่เกิดขึ้นไม่ว่ากรณีใดๆ จากการใช้ข้อมูล ผู้นำข้อมูลไปใช้พึงใช้วิจารณญาณและตรวจสอบตามความเหมาะสม
ศูนย์ข้อมูลฯ ได้ทำการตรวจสอบตำแหน่งที่ตั้งทรัพย์บนแผนที่ที่ปรากฎอยู่บนเว็บไซต์ โดยอาศัยข้อมูลจากแหล่งข้อมูลต่างๆ ที่เชื่อถือได้ เพื่อให้ตำแหน่งทรัพย์บนแผนที่ ใช้อ้างอิงท่านไปยังที่ตั้งของทรัพย์นั้นๆ โดยประมาณ ทั้งนี้ศูนย์ข้อมูลฯ ไม่สามารถยืนยันความถูกต้องของตำแหน่งทรัพย์ได้ ดังนั้น ทางศูนย์ข้อมูลฯ ขอสงวนสิทธิ์ไม่รับผิดชอบต่อข้อผิดพลาดทางตำแหน่งทรัพย์ที่เกิดขึ้นบนแผนที่ ผู้นำข้อมูลไปใช้พึงใช้วิจารณญาณและตรวจสอบตามความเหมาะสม
คำนวณค่าผ่อนบ้าน
-
จำนวนดอกเบี้ย:2,500 บาท/เดือน
-
จำนวนเงินต้น:2,600 บาท/เดือน
หมายเหตุ:
การคำนวณเงินงวดคิดจากอัตราดอกเบี้ยที่ท่านระบุบวกร้อยละ 1 เพื่อให้ตัดชำระเป็นเงินต้น และผลลัพธ์จะปัดตัวกลมเป็นหลักร้อยบาท ทั้งนี้ ผลการประเมินจากเครื่องคำนวณสินเชื่อเป็นเพียงการประเมินวงเงินกู้ในเบื้องต้น ส่วนการอนุมัติสินเชื่อสงวนสิทธิ์เป็นไปตามหลักเกณฑ์ของธนาคาร
อัตราดอกเบี้ยสำหรับสินเชื่อบ้าน
หากคุณกำลังมองหาทางเลือกเพื่อขอสินเชื่อบ้านด้วยอัตราที่เหมาะสม คุณสามารถเลือกชมรายละเอียดสินเชื่อจากธนาคารเหล่านี้ และติดต่อทางธนาคารเพื่อขอความช่วยเหลือในการให้คำแนะนำ
โครงการบ้าน ธอส. สุขสบาย ปี 2568
- อัตราดอกเบี้ยเฉลี่ย 3 ปีแรก* = 5.302%
- ปีที่ 1 - ปีที่ 2 = MRR - 2.00% ต่อปี
- ปีที่ 3 = MRR - 1.00% ต่อปี
สินเชื่อบ้านกรุงศรีเพื่อซื้อที่อยู่อาศัย
- อัตราดอกเบี้ยเฉลี่ย 3 ปีแรก* = 5.050%
- ปีที่ 1 = 4.65% ต่อปี
- ปีที่ 2 = 5.00% ต่อปี
- ปีที่ 3 = 5.50% ต่อปี
สินเชื่อบ้านธนาคารกสิกรไทย เพื่อซื้อทรัพย์มือสอง
- อัตราดอกเบี้ยเฉลี่ย 3 ปีแรก* = 3.56%
- ปีที่ 1 = 1.99%
- ปีที่ 2 - ปีที่ 3 = 4.34%
